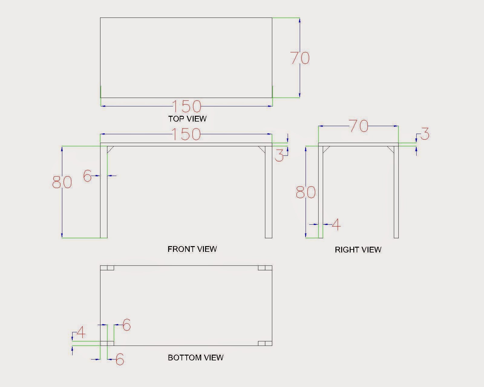
Menggambar Meja 2D Autocad
Pada kesempatan kali ini kita akan belajar menggambar meja 2D pada Autocad. Meja yang akan digambar ukurannya sederhana, karena hanya sekedar untuk sample. Yaitu meja persegi panjang dengan panjang 150 cm lebar 70 cm dan tinggi 80 cm. Meja ini menggunakan kayu papan setebal 3 cm dan kayu reng ukuran 4 x 6 cm untuk kakinya.Untuk membuat meja 2D pada autocad ini cukup menggunakan line, mirror dan atau rectangle saja. Oke, saya pikir sudah jelas. Mari kita mulai menggambar meja 2D tersebut. Berikut langkah – langkahnya:
Bagian 1 Bagian Top View Meja 2D Autocad
- Buka document baru pada autocad. Klik New Document
- Gunakan command line atau rectangle untuk menggambar persegi panjang ukuran P X L = 150 cm x 70 cm seperti berikut. Agar garis yang dibuat lurus gunakan F8 (Ortho On).
- Gunakan Text command dan ketik TOP VIEW
Bagian 2 Bagian Front View Meja 2D Autocad
- Lanjutkan gambar persis di bawah top view. Gambar menggambar persegi panjang ukuran P X L = 150 cm x 3 cm.
- Gunakan Rectangle, Gambar tiang meja dengan ukuran P X L = 80 cm X 6 cm
- Juga Gambar sikunya ( 6 x 6 cm) sebagai berikut.
- Lakukan Mirror agar kaki berada pada dua sisi ujung meja.termasuk Sikunya. Saat membuat cermin, agar bisa mendapatkan titik tengah pada meja, gunakan mid point OSNAP. Caranya tekan ctrl + Klik kanan dan pilih mid point.
- Gunakan Text command dan ketik Front VIEW.
Bagian 3 Bagian Rigth View Meja 2D Autocad
- Gambar Persegi panjang dengan ukuran P X L = 70 X 3 cm (Disamping kanan Front VIEW dan arah Horisontal)
- Gunakan Rectangle, Gambar Tiang meja dengan ukuran P X L = 80 X 4 cm
- Gambar Sikunya dengan ukuran 6 x 6 cm. Anda bisa gunakan Copy Command untuk mengcopy siku pada bagian Front view agar lebih cepat.
- Gambar Siku dan ujung kaki yang satunya, gunakan bantuan mirror seperti pada langkah di atas.
- Text command ketik Right View dan jadilah right view seperti gambar berikut.
Bagian 4 Bagian Bottom View Meja 2D Autocad
- Untuk Tampah Bawah gambar sesuai dengan dimensi dibawah ini. Letakkan di bawah Front View.
- Gambar dahulu persegi panjang ukuran 150 X 70 cm
- Gambar Kaki dan sikunya dalam pandangan bawah. Cukup gambar satu saja. anda bisa gunakan mirror untuk bagian ke atas/bawahnya, kemudian mirror lagi untuk bagian samping.
- Ketik Bottom View.
- Terakhir, gambar meja 2D anda telah selesai.
Baik agan – agan sekalian. Itulah langkah – langkah membuat meja 2D pada Autocad. Selamat belajar. Jika ada masukan dan kritikan jangan segan untuk komen di kotak komentar. Salam.






Tidak ada komentar:
Posting Komentar